发布时间:2022年5月11日 作者:德国GMC-I高美测仪(上海电励士)
水电调速系统组成主要涉及 :
调速器 governor
水轮机 turbine
发电机 generator

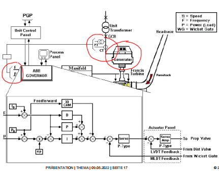
调速器 Governor
• PID 控制器
• 执行机构 actuator
PID=Proportion-Integration-Differentiation 比例-积分-微分控制器 PID 控制器是一个在工业控制应用中常见的反馈回路部件。这个控制器把收集到的数据和一个参考值进行比较,然后把这个差别用于计算新的输入值,这个新的输入值 的目的是可以让系统的数据达到或者保持在参考值。 执行机构是执行PID的输出运算结果,例如液压机,伺服电机等
水轮机 Turbine
水轮机是水电站中将水流的动能转化为机械能的设备。通过水电站的大坝将水流集中,让水通过水渠管道引至水轮机,冲击水轮机转动,并由水轮机带动与其连接的发电机产生电能。--角位传感器应用
按照工作原理,大致可分为三类:
• 冲击式水轮机 impulse turbine
利用高速水流冲击水斗或叶片做功
• 反击式水轮机 reaction turbine
利用水流的压力和动能来做功
• 水泵水轮机
一种可逆式水轮机,即可做水轮机,也可做水泵,一般用在抽水蓄能电站
水轮机介绍
冲击式水轮机 impulse turbine
典型代表:Pelton Turbine 佩尔顿式水轮机利用水动能冲击水斗来获得能量。
主要部件
• Nozzle 喷嘴
• Deflector 变流器/折向器
• Runner 旋转轮
• Jet of water 喷水柱/水枪
• Bucket or vane 水斗或叶片
• Braking jet or nozzle 制动喷嘴
• Spear 长矛:用于控制水流适合水头高度不超过2000米,低流量,极高水头。

涉及的产品应用
• Nozzle alignment 喷嘴对中
喷嘴射出的水柱与水斗之间的对中,利用角位传感器KINAX采集的信息,通过油压机或电气的方式
• The angle of deflector 折向器的角度
折向器安装在喷嘴和旋转轮之间,用于减少水轮机的输出,可快速切断水动能。角位传感器KINAX 用于采集折向角度。
反击式水轮机 reaction turbine
典型代表1:Francis turbine 法兰西斯式水轮机
混流式:水流径向流入转轮,轴向流出。利用水流的压力和动能来带动轴上的叶片同心圆转动来做功。
主要部件
• Stationary Vane 固定叶片
• Penstock 水渠
• Guide Vanes 导流叶片
• Scroll casing 蜗形壳
• Runner 旋转轮
• Draft tube 尾水管 适合水头高度不超过700米,高流量,高水头。

涉及的产品应用
• The angle of guide vane 导流叶片的角度导流叶片的角度可以调整,用于控制水流大小,进而控制水轮机的表现效率。betway必威中文版KINAX 可以用于测量叶片角度。
反击式水轮机 reaction turbine
典型代表2:Kaplan turbine 卡普兰式水轮机
轴流式:水流沿转轮轴向流入,轴向流出,水流方向始 终平行于主轴。水流从水轮机四周水平方向向中心流入, 然后转为向下方向推动转轮叶片做功。
主要部件
• Runner blades 螺旋桨式刀锋叶片
• Guide Vanes 导流叶片
• Scroll casing 蜗形壳
• Draft tube 尾水管适合水头高度不超过80米,高流量,低水头。

涉及的产品应用
• The angle of guide vane 导流叶片的角度导流叶片的角度可以调整,用于控制水流大小,进而控制水轮机的表现效率。betway88必威东盟体育KINAX 可以用于测量叶片角度,输出信号给控制器。
• The angle of runner blade 刀锋叶片的角度刀锋叶片的角度可以调整,提供良好的控制特性,在不受负载影响的恒定转速下实现好的效率。角位传感器KINAX 可以用于测量叶片角度,输出信号给控制器。
betway必威中文版
水轮机选型参考

发电机

涉及的产品应用
• Monitoring of frequency and power 发电机的频率和有功功率监测
发电机端的频率和有功功率监测数据传入调速器的PID控制器,与预设好的参考值比较,并不断地自我学习调整优化。如监测到数据异常,调速器迅速动作调整。betway必威Betway必威App体育/ DM5系列可监测频率和有功功率,支持多路模拟量信号输出到PID控制器。
Betway必威App体育