首页 > 行业动态 > 水电调速系统的作用和系统组成!以及应用产品推荐
水电调速系统的作用和系统组成!以及应用产品推荐
时间 : 2024-09-13 00:25 浏览量 : 275
发布时间:2022年5月10日 作者:德国GMC-I高美测仪(上海电励士)
水电调速系统的作用和系统组成
水电调速系统的作用
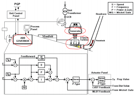
调速系统(Governor System)作用是控制水轮机和发电机的转速(频率)和有功功率。是水电站中重要的控制系统。

调速系统组成主要涉及 :
调速器 governor
水轮机 turbine
发电机 generator

调速系统的组成:
调速器 Governor
• PID 控制器
• 执行机构 actuator
水轮机
水轮机是水电站中将水流的动能转化为机械能的设备。通过水电站的大坝将水流集中,让水通过水渠管道引至水轮机,冲击水轮机转动,并由水轮机带动与其连接的发电机产生电能。
按照工作原理,大致可分为三类:
• 冲击式水轮机 impulse turbine
利用高速水流冲击水斗或叶片做功
• 反击式水轮机 reaction turbine
利用水流的压力和动能来做功
• 水泵水轮机
一种可逆式水轮机,即可做水轮机,也可做水泵,一般用在抽水蓄能电站
水电调速系统需要应用到的产品介绍:
角位传感器 KINAX
推荐 betway必威中文版/WT717
绝对位置角位变送器,用于恶劣环境,直径>100mm
betway必威中文版
betway必威 Betway必威App体育
支持多种电气系统
功率不确定度±0.2%
频率不确定度±0.01Hz
最多支持8路模拟量输出
支持多种通讯方式
可编程
Betway必威App体育
Betway必威西汉姆联 Betway必威西汉姆联
支持多种电气系统
功率不确定度±0.2%
频率不确定度±0.01Hz
最多支持4路模拟量输出
支持多种通讯方式
可编程
Betway必威西汉姆联