发布时间:2022年5月27日 作者:德国GMC-I高美测仪(上海电励士)
多功能betway必威应用下的风力发电系统
重点部件介绍
☆ 发电机
目前主流采用的发电机类型有鼠笼式异步发电机(SCIG),双馈式异步发电机(DFIG),直驱永磁同步发电机(PMSG)。
SCIG, Squirrel Cage Induction Generator
DFIG, Doubly-Fed Induction Generator
PMSG, Permanent Magnet Synchronous Generator
SCIG 定速异步发电机在风电中的工作图示

图示是指电动机的定子上为三相绕组,转子为笼式的导条。因为该导条形状与鼠笼相似,故称之为鼠笼式异步发电机。电动机在定子绕组加三相交流电后,会形成旋转磁场,其转子上的闭合的导条会因为切割定子磁场的磁力线而感应出电势和电流,而通电的导体在磁场中就会受到安培力,从而驱动转子运动。电动机转子就旋转起来了。这就是鼠笼式三相异步电动机的工作原理。
Soft starter 软启动器(基于SCR可控硅整流器):
是定速的风机与电网连接期间使用的一种简单且便宜的电气组件。它的功能是通过在发电机中缓慢建立磁通量来减少浪涌电流,从而限制对电网并网时的冲击干扰。
By-pass 旁路开关:
通过软启动器完成稳定并网后,风机系统通过旁路开关合闸直接连接到电网。可以帮助在运行状态下的SCR散热。
Capacitor bank 电容柜:
无功补偿装置,并网后立即并入无功补偿装置,提供功率因数至0.95以上。
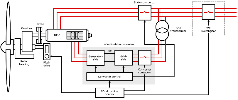
DFIG 双馈异步发电机在风电中的工作图示

DFIG 双馈异步发电机在风电中的工作图示

双馈式发电就是指感应电机的定子,转子同时能发出电能,双馈发电机其转子和定子都最终连于电网,转子和定子都参与励磁,其定子和转子都可以与电网有能量的交换。
betway必威应用下的风力发电系统发电机工作原理:通过叶轮将风能转变为机械转矩,通过主轴传动链,经过齿轮箱增速到异步发电机转速后,通过励磁变流器励磁而将发电机的定子电能并入电网。如果超过发电机同步转速,转子也处于发电状态,通过变流器向电网馈电。
双馈发电机正是由叶片通过齿轮箱变速,带动以达到定子侧输出相对好的正弦波,同时额定转速下,转子侧也能同时发出电流,已达到大的利用风能效果。
PMSG 直驱永磁同步发电机在风电中的工作图示

永磁同步发电机是一种同步发电机,其中励磁场由永磁体而不是线圈提供。术语“同步”是指转子和磁场以相同的速度旋转的事实,磁场是通过安装在轴上的永磁机构产生的,并且电流会感应到固定电枢中。
永磁同步发电机取消了增速齿轮箱,发电机轴直接连接到风机轴上,随着风电机转速的变化,永磁风力发电机所发电力的频率也是不断变化的,所以还必须用一台全功率变流器,将这些电能改变为恒频恒压的交流电,才能并入电网,即变速恒频技术。